大家都在找:高温磁力泵,强制循环轴流泵,钛镍锆化工泵
一、概述
IH型化工泵是单级单吸悬臂式离心泵,其标记额定性能点和尺寸等效采用国际标准ISO2858-1975(E),是一种用以取代F型耐腐蚀泵更新换代的节能产品,适用于化工、石油、冶金、电站、食品、制药、合成纤维等部门输送温度在-20℃~105℃的腐蚀性介质或物理、化学性能类似于水的介质。
二、性能范围
IH型化工泵的性能范围(按设计点)
流量Q:6.3~400 m3/h
扬程H:5~125m
泵的高工作设计压力为1.6MPa
三、型号意义
例如:IH50-32-160
IH-国际标准单级单吸化工离心泵 50-吸入口直径(mm)32-排出口直径(mm) 160-叶轮名义直径(mm)
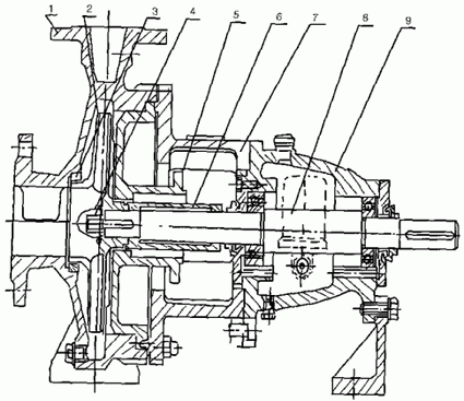
四、产品结构图
1、泵体2、叶轮3、密封环4、叶轮螺母5、泵盖6、密封部件7、中间支架8、轴9、悬架部件
用户可根据使用条件选择泵主要零件的材料。

电话
13921731351
邮箱
jsshbf@163.com
微信号
微信扫一扫